Ручной инструмент

Вертлюг

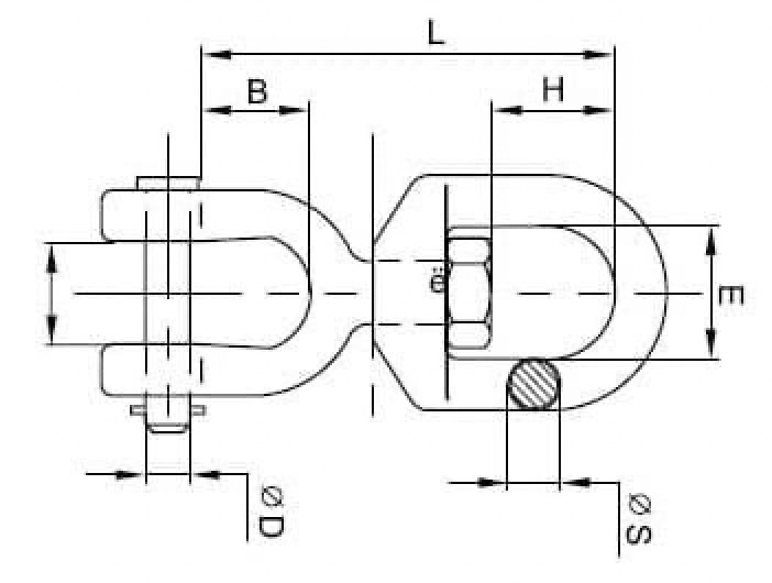
ВЕРТЛЮГ (ПЕТЛЯ-ВИЛКА)



ТЕХНИЧЕСКИЕ ХАРАКТЕРИСТИКИ

обозначение S, мм L, мм С, мм Е, мм Н, мм В, мм D,mm рабочая нагрузка, кН
8x13x22 8,00 75,00 22,00 25,00 21,00 13,00 8,00 5,70
10x16x27 10,00 92,00 27,00 32,00 24,00 16,00 10,00 10,20
13x19x33 13,00 114,00 33,00 38,00 33,00 19,00 13,00 16,00
19x24x44 19,00 154,00 44,00 51,00 44,00 24,00 19,00 33,00
22х30х52 22,00 178,00 52,00 57,00 52,00 30,00 22,00 45,00
25х44х59 25,00 217,00 71,00 64,00 59,00 44,00 29,00 57,00

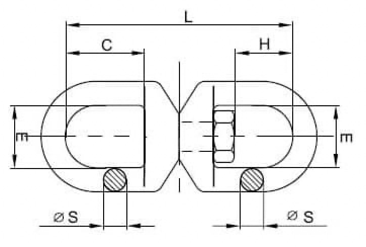
ВЕРТЛЮГ (ПЕТЛЯ-ПЕТЛЯ)


ТЕХНИЧЕСКИЕ ХАРАКТЕРИСТИКИ


обозначение S, мм L, мм С, мм Е, мм Н, мм рабочая нагрузка, кН
8x25x32 8,00 90,00 32,00 25,00 21,00 5,70
10x32x38 10,00 110,00 38,00 32,00 24,00 10,20
13x38x51 13,00 138,00 51,00 38,00 33,00 16,00
19x51x67 19,00 183,00 67,00 51,00 44,00 33,00
22x57x78 22,00 213,00 78,00 57,00 52,00 45,00