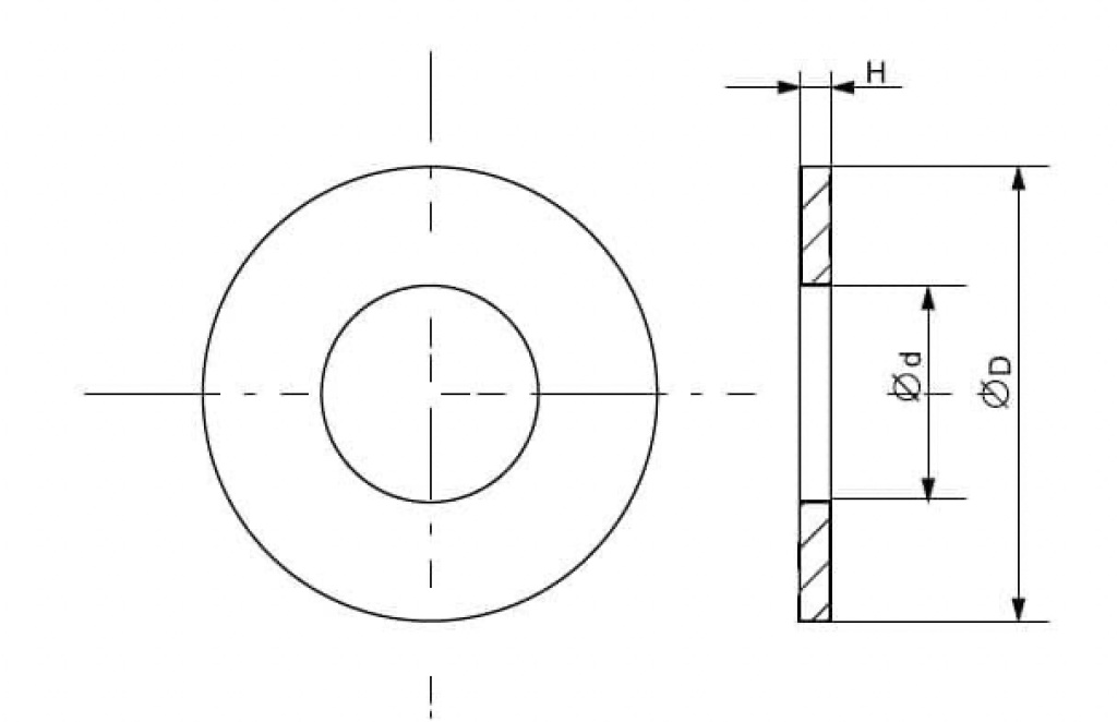
Шайба плоская
ШАЙБА ПЛОСКАЯ (DIN 125A, ISO 7089-90, ГОСТ-11371)

ТЕХНИЧЕСКИЕ ХАРАКТЕРИСТИКИ
| номинальный | для | d, мм внутр. |
D, мм |
D, мм |
|
Н, мм |
|
|
|
| диаметр, мм | резьбы | диаметр |
внеш. |
внеш. |
|
толщина |
|
вес 1000, | |
|
|
|
min | max | min | max | номинал max | min | штук кг | |
| 1,70 | М 1,6 | 1,70 | 1,84 | 3,70 | 4,00 | 0,30 | 0,35 | 0,25 | 0,024 |
| 1,80 | М 1,7 | 1,80 | 1,94 | 4,20 | 4,50 | 0,30 | 0,35 | 0,25 | 0,031 |
| 2,20 | М2 | 2,20 | 2,34 | 4,70 | 5,00 | 0,30 | 0,35 | 0,25 | 0,037 |
| 2,50 | М2,3 | 2,50 | 2,64 | 5,70 | 6,00 | 0,50 | 0,55 | 0,45 | 0,092 |
| 2,70 | М2,5 | 2,70 | 2,84 | 5,70 | 6,00 | 0,50 | 0,55 | 0,45 | 0,088 |
| 2,80 | М2,6 | 2,80 | 2,94 | 6,64 | 7,00 | 0,50 | 0,55 | 0,45 | 0,127 |
| 3,20 | МЗ | 3,20 | 3,38 | 6,64 | 7,00 | 0,50 | 0,55 | 0,45 | 0,119 |
| 3,70 | М3,5 | 3,70 | 3,88 | 7,64 | 8,00 | 0,50 | 0,55 | 0,45 | 0,155 |
| 4,30 | М4 | 4,30 | 4,48 | 8,64 | 9,00 | 0,80 | 0,90 | 0,70 | 0,308 |
| 5,30 | М5 | 5,30 | 5,48 | 9,64 | 10,00 | 1,00 | 1,10 | 0,90 | 0,443 |
| 6,40 | Мб | 6,40 | 6,62 | 11,57 | 12,00 | 1,60 | 1,80 | 1,40 | 1,020 |
| 7,40 | М7 | 7,40 | 7,62 | 13,57 | 14,00 | 1,60 | 1,80 | 1,40 | 1,390 |
| 8,40 | М8 | 8,40 | 8,62 | 15,57 | 16,00 | 1,60 | 1,80 | 1,40 | 1,830 |
| 10,50 | М 10 | 10,50 | 10,77 | 19,48 | 20,00 | 2,00 | 2,20 | 1,80 | 3,570 |
| 13,00 | М 12 | 13,00 | 12,27 | 23,48 | 24,00 | 2,50 | 2,70 | 2,30 | 6,270 |
| 15,00 | М 14 | 15,00 | 15,27 | 27,48 | 28,00 | 2,50 | 2,70 | 2,30 | 8,620 |
| 17,00 | М 16 | 17,00 | 17,27 | 29,48 | 30,00 | 3,00 | 3,30 | 2,70 | 11,300 |
| 19,00 | М 18 | 19,00 | 19,33 | 33,38 | 34,00 | 3,00 | 3,30 | 2,70 | 14,700 |
| 21,00 | М20 | 21,00 | 21,33 | 36,38 | 37,00 | 3,00 | 3,30 | 2,70 | 17,200 |
| 23,00 | М22 | 23,00 | 23,33 | 38,38 | 39,00 | 3,00 | 3,30 | 2,70 | 18,300 |
| 25,00 | М24 | 25,00 | 25,33 | 43,38 | 44,00 | 4,00 | 4,30 | 3,70 | 32,300 |
| 27,00 | М26 | 27,00 | 27,33 | 49,38 | 50,00 | 4,00 | 4,30 | 3,70 | 43,700 |
| 28,00 | М27 | 28,00 | 28,33 | 49,38 | 50,00 | 4,00 | 4,30 | 3,70 | 42,300 |
| 29,00 | М28 | 29,00 | 29,33 | 49,38 | 50,00 | 4,00 | 4,30 | 3,70 | 40,900 |
| 31,00 | МЗО | 31,00 | 31,39 | 55,26 | 56,00 | 4,00 | 4,30 | 3,70 | 53,600 |
| 33,00 | М32 | 33,00 | 33,62 | 58,80 | 60,00 | 5,00 | 5,60 | 4,40 | 77,400 |
| 34,00 | МЗЗ | 34,00 | 34,62 | 58,80 | 60,00 | 5,00 | 5,60 | 4,40 | 75,300 |
| 36,00 | М35 | 36,00 | 36,62 | 34,80 | 66,00 | 5,00 | 5,60 | 4,40 | 94,300 |
| 37,00 | М36 | 37,00 | 37,62 | 64,80 | 66,00 | 5,00 | 5,60 | 4,40 | 92,100 |
| 39,00 | М38 | 39,00 | 39,62 | 70,80 | 72,00 | 6,00 | 6,60 | 5,40 | 136,000 |
| 40,00 | М39 | 40,00 | 40,62 | 70,80 | 72,00 | 6,00 | 6,60 | 5,40 | 133,000 |
| 41,00 | М40 | 41,00 | 41,62 | 70,80 | 72,00 | 6,00 | 6,60 | 5,40 | 130,000 |
| 43,00 | М42 | 43,00 | 43,62 | 76,80 | 78,00 | 7,00 | 8,00 | 6,00 | 183,000 |
| 46,00 | М45 | 46,00 | 46,62 | 83,60 | 85,00 | 7,00 | 8,00 | 6,00 | 220,000 |
| 50,00 | М48 | 50,00 | 50,62 | 90,60 | 92,00 | 8,00 | 9,00 | 7,00 | 294,000 |
| 52,00 | М50 | 52,00 | 52,74 | 90,60 | 92,00 | 8,00 | 9,00 | 7,00 | 284,000 |