Ручной инструмент

Гайка корончатая

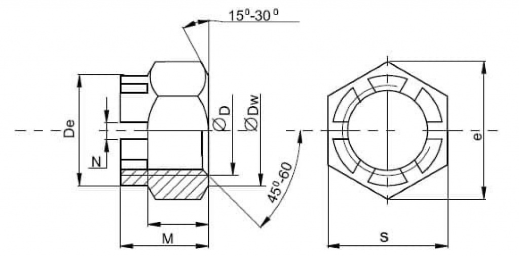
ГАЙКА ШЕСТИГРАННАЯ КОРОНЧАТАЯ ( DIN 935, ГОСТ-5918, 5932-73)


ТЕХНИЧЕСКИЕ ХАРАКТЕРИСТИКИ

диаметр, мм М4 M5 Мб М8 М10 М12 М14 М16 М20 М24
Р, мм 0,70 0,80 1,00 1,25 1,50 1,75 2,00 2,00 2,50 3,00
Dw,mm 5,80 6,80 8,80 11,30 15,30 17,20 20,20 22,20 28,20 33,20
De, мм - - - - - 15,57-16,00 17,57-18,00 21,48-22,00 27,30-28,00 33,00-34,00
е, мм 7,66 8,79 11,05 14,38 18,90 21,10 24,49 26,75 32,95 39,55
М, мм 4,70-5,00 5,70 - 6,00 7,14-7,50 9,14-9,50 11,57-12,00 14,57-15,00 15,57-16,00 18,48-19,00 21,16-22,00 25,16-26,00
W. мм 2,90-3,20 3,70-4,00 4,70-5,00 6,14-6,50 7,64-8,00 9,64-10,00 10,57-11,00 12,57-13,00 15,57-16,00 18,48-19,00
S,mm 6,78-7,00 7,78-8,00 9,78-10,00 12,73-13,00 16,73-17,00 18,67-19,00 21,67-22,00 23,67-24,00 29,16-30,00 35,00-36,00

D номинальный









диаметр, мм М4 M5 Мб М8 М10 М12 М14 М16 М20 М24
вес 1000 шт/кг 1,1 1,63 2,8 6,0 13,5 18,5 26,8 35,0 46,3 76,4