Ручной инструмент

Гайка колпачковая

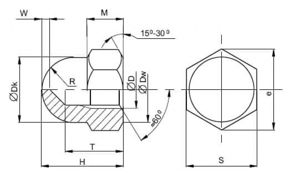
ГАЙКА КОЛПАЧКОВАЯ (DIN 1587, ГОСТ-11860-85)


ТЕХНИЧЕСКИЕ ХАРАКТЕРИСТИКИ 
D номинальный









диаметр, мм М4 M5 М6 М8 М10 М12 М14 М16 М20 М24
Р, мм 0,7 0,80 1,00 1,25 1,50 1,75 2,00 2,00 2,50 3,00
Dw,mm 5,80 6,80 8,30 11,30 14,30 16,20 19,20 22,20 28,20 33,20
Dk, мм 6,50 7,50 9,50 12,50 15,00 17,00 20,00 23,00 28,00 34,00
е, мм 7,66 8,79 11,05 14,38 17,77 20,03 23,35 26,75 33,53 39,98
Т, мм 5,26-5,74 7,21-7,79 7,71-8,29 10,65-11,35 12,65-13,35 15,65-16,35 17,65-18,35 20,58-21,42 25,58 - 26,42 30,50-31,50
W. мм 2,00 2,00 2,00 2,00 2,00 3,00 4,00 4,00 5,00 6,00
R,mm 3,25 3,75 4,75 6,25 7,50 8,50 10,00 11,50 14,00 17,00
Н. мм 8,00 10,00 12,00 15,00 18,00 22,00 25,00 28,00 34,00 42,00
М, мм 2,90-3,20 3,70-4,00 4,70-5,00 6,14-6,50 7,64 - 8,00 9,64-10,00 10,30-11,00 12,30-13,00 14,90-16,00 17,70-19,00
S,mm 6,78-7,00 7,78-8,00 9,78-10,00 12,73-13,00 16,73-17,00 18,67-19,00 21,67-22,00 23,67 - 24,00 29,67-30,00 35,38-36,00


D номинальный









диаметр, мм М4 M5 М6 М8 М10
М12 М14 М16 М20 М24
вес 1000 шт/кг 1,35 2,06 4,49 8,92 19,12 28,37 41,57 53,5 104 216