Болт мебельный
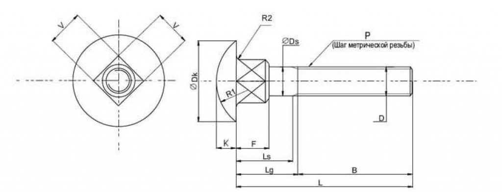
БОЛТ МЕБЕЛЬНЫЙ (DIN 603, ISO 8677, ГОСТ-7802)

ЕХНИЧЕСКИЕ ХАРАКТЕРИСТИКИ
БОЛТ МЕБЕЛЬНЫЙ (DIN 603, ISO 8677, ГОСТ-7802)

Приблизительный вес 1000 штук, кг

ЕХНИЧЕСКИЕ ХАРАКТЕРИСТИКИ
| D,mm |
|
|
|
|
|
|
|
|
|
|
|
|
|
|
| номинал. |
|
|
|
|
|
|
|
|
|
|
|
|
|
|
| диаметр | М5 | Мб | М8 |
М10 |
М12 | М16 | М20 | |||||||
| Р, мм | 0,80 | 1,00 | 1,25 | 1,50 | 1,75 | 2,00 | 2,5 | |||||||
| В(1), мм | 16,00 | 18,00 | 22,00 | 26,00 | 30,00 | 38,00 | 46,00 | |||||||
| В (2), мм | 22,00 | 24,00 | 28,00 | 32,00 | 36,00 | 44,00 | 52,00 | |||||||
| В (3), мм |
- |
- |
41,00 | 45,00 | 49,00 | 57,00 | 65,00 | |||||||
| Dk, мм | 12,45-13,55 | 15,45-16,55 | 19,35-20,65 | 23,35-24,65 | 29,35-30,65 | 37,20 - 38,80 | 45,20 - 46,80 | |||||||
| Ds, мм | 4,52 - 5,00 | 5,52-6,00 | 7,42-8,00 | 9,42-10,00 | 11,30-12,00 | 15,30-16,00 | 19,16-20,00 | |||||||
| F, мм | 2,90-4,10 | 3,40-4,60 | 4,40-5,60 | 5,40-6,60 | 7,25-8,75 | 11,10-12,90 | 14,10-15,90 | |||||||
| к, мм | 2,70-3,30 | 3,12-3,88 | 4,12 4,88 | 4,62-5,38 | 6,05-6,95 | 8,05-8,95 | 45,20-46,80 | |||||||
| R1,mm | 10,70 | 12,60 | 16,00 | 19,20 | 24,10 | 29,30 | 33,90 | |||||||
| R2, мм | 0,50 | 0,50 | 0,50 | 0,50 | 1,00 | 1,00 | 1,00 | |||||||
| V, мм | 4,52 - 5,48 | 5,52 -8,58 | 7,42 - 8,58 | 9,42 - 10,58 | 11,30-12,70 | 15,30-16,70 | 19,16-20,84 | |||||||
|
L, мм |
|
|
|
|
|
|
|
|
|
|
|
|
|
|
| номинал. |
|
|
|
|
|
|
|
|
|
|
|
|
|
|
| длина | Ls,мм | Lg,мм | Ls,мм | Lg,мм | Ls,мм | Lg,мм | Ls,мм | Lg,мм | Ls,мм | Lg,мм | Ls,мм | Lg,мм | Ls,мм | Lg,мм |
| 16 | - | 8,00 | - | 10,00 |
|
|
|
|
|
|
|
|
|
|
| 20 | - | 8,00 | - | 10,00 | - | 12,00 | - | 14,00 |
|
|
|
|
|
|
| 25 | - | 8,00 | - | 10,00 | - | 12,00 | - | 14,00 |
|
|
|
|
|
|
| 30 | - | 18,00 | - | 10,00 | - | 12,00 | - | 14,00 | - | 18,00 |
|
|
|
|
| 35 | 15,00 | 19,00 | 12,00 | 17,00 | - | 12,00 | - | 14,00 | - | 18,00 |
|
|
|
|
| 40 | 20,00 | 24,00 | 17,00 | 22,00 | 11,75 | 18,00 | - | 14,00 | - | 18,00 |
|
|
|
|
| 45 | 25,00 | 29,00 | 22,00 | 27,00 | 16,75 | 23,00 | 11,50 | 19,00 | - | 18,00 |
|
|
|
|
| 50 | 30,00 | 34,00 | 27,00 | 32,00 | 21,75 | 28,00 | 16,50 | 24,00 | - | 18,00 |
|
|
|
|
| 55 | 35,00 | 39,00 | 32,00 | 37,00 | 26,75 | 33,00 | 21,50 | 29,00 | 16,25 | 25,00 | - | 23,00 |
|
|
| 60 | 40,00 | 44,00 | 37,00 | 42,00 | 31,75 | 38,00 | 26,50 | 34,00 | 21,25 | 30,00 | - | 23,00 |
|
|
| 65 | 45,00 | 49,00 | 42,00 | 47,00 | 36,75 | 43,00 | 31,50 | 39,00 | 26,75 | 35,00 | 17,00 | 27,00 |
|
|
| 70 | 50,00 | 54,00 | 47,00 | 52,00 | 41,75 | 48,00 | 36,50 | 44,00 | 31,25 | 40,00 | 22,00 | 32,00 | - | 28,50 |
| 80 | 60,00 | 64,00 | 57,00 | 62,00 | 51,75 | 58,00 | 46,50 | 54,00 | 41,25 | 50,00 | 32,00 | 42,00 | 21,50 | 34,00 |
| 90 |
|
|
67,00 | 72,00 | 61,75 | 68,00 | 56,50 | 64,00 | 51,25 | 60,00 | 42,00 | 52,00 | 31,50 | 44,00 |
| 100 |
|
|
77,00 | 82,00 | 71,75 | 78,00 | 66,50 | 74,00 | 61,25 | 70,00 | 52,00 | 62,00 | 41,50 | 54,00 |
| 110 |
|
|
87,00 | 92,00 | 81,75 | 88,00 | 76,50 | 84,00 | 71,25 | 80,00 | 62,00 | 72,00 | 51,50 | 64,00 |
| 120 |
|
|
97,00 | 102,00 | 91,75 | 98,00 | 86,50 | 94,00 | 81,25 | 90,00 | 72,00 | 82,00 | 61,50 | 74,00 |
| 130 |
|
|
101,00 | 106,00 | 95,75 | 102,00 | 90,50 | 98,00 | 85,25 | 94,00 | 76,00 | 86,00 | 65,50 | 78,00 |
| 140 |
|
|
111,00 | 116,00 | 105,75 | 112,00 | 108,50 | 108,00 | 95,25 | 104,00 | 86,00 | 96,00 | 75,50 | 88,00 |
| 150 |
|
|
121,00 | 126,00 | 115,75 | 122,00 | 110,50 | 118,00 | 105,25 | 114,00 | 96,00 | 106,00 | 85,50 | 98,00 |
| 160 |
|
|
|
|
|
|
120,50 | 128,00 | 115,25 | 124,00 | 106,00 | 116,00 | 95,50 | 108,00 |
| 180 |
|
|
|
|
|
|
140,50 | 148,00 | 135,25 | 144,00 | 126,00 | 136,00 | 115,50 | 128,00 |
| 200 |
|
|
|
|
|
|
160,50 | 168,00 | 155,25 | 164,00 | 146,00 | 156,00 | 135,50 | 148,00 |
БОЛТ МЕБЕЛЬНЫЙ (DIN 603, ISO 8677, ГОСТ-7802)

Приблизительный вес 1000 штук, кг
| Цмм |
|
|
|
|
|
||
| номинальная |
|
|
Номинальный диаметр, мм |
|
|
|
|
| длина | М5 | М6 | М8 |
М10 |
М12 | М16 | М20 |
| 16 | 4,00 | 6,20 | 12,70 |
- |
- |
- |
- |
| 20 | 4,50 | 7,00 | 13,60 |
- |
- |
- |
- |
| 25 | 5,10 | 7,80 | 15,10 | 26,00 |
- |
- |
- |
| 30 | 5,80 | 8,70 | 16,60 | 28,00 | 48,00 |
- |
- |
| 35 | 6,54 | 9,50 | 18,00 | 31,00 | 53,00 |
- |
- |
| 40 | 7,00 | 10,40 | 19,70 | 34,00 | 57,50 |
- |
- |
| 45 | 7,62 | 11,40 | 21,20 | 36,50 | 61,00 |
- |
- |
| 50 | 8,10 | 12,10 | 22,50 | 39,00 | 64,50 |
- |
- |
| 55 |
- |
13,00 | 24,20 | 42,00 | 68,00 |
- |
- |
| 60 |
- |
13,70 | 25,40 | 43,50 | 71,00 |
- |
- |
| 65 |
- |
15,30 | 27,60 | 46,50 | 75,00 |
- |
- |
| 70 |
- |
15,80 | 29,00 | 48,50 | 78,00 |
- |
- |
| 80 |
- |
18,00 | 33,00 | 53,80 | 86,00 |
- |
- |
| 90 |
- |
19,60 | 35,00 | 58,90 | 93,00 |
- |
- |
| 100 |
- |
21,20 | 38,00 | 62,00 | 98,00 |
- |
- |
| 110 |
- |
22,90 | 41,40 | 68,00 | 110,00 |
- |
- |
| 120 |
- |
24,60 | 44,20 | 73,00 | 114,00 |
- |
- |
| 130 |
- |
26,70 | 47,40 | 77,70 | 122,00 |
- |
- |
| 140 |
- |
28,00 | 50,50 | 84,40 | 128,00 |
- |
- |
| 150 |
- |
- |
53,60 | 92,00 | 134,00 |
- |
- |
| 160 |
- |
- |
- |
- |
141,20 |
- |
- |
| 180 |
- |
- |
- |
- |
155,60 |
- |
- |
| 200 |
- |
- |
- |
- |
170,00 |
- |
- |