Анкер (анкерный болт)
В переводе с немецкого языка слово «анкер» означает «якорь». В названии заложен основной принцип действия этой детали. Анкер или дюбель призваны создавать дополнительный момент сцепления, поэтому крепежный элемент соединяется с основой не напрямую, а с помощью данного переходного элемента, что обеспечивает креплению необходимый уровень надежности. Четкую границу между понятиями «дюбель» и «анкер» провести сложно. В любом случае, анкер или дюбель представляет собой такой элемент, который механическими или химическим путем повышает прочность сцепления между основным крепежным изделием и основанием, к которому тот крепится. Дюбелем принято называть более легкую вариацию анкера.
Сфера применения анкеров довольно широка, так как они являются незаменимым крепежным материалом в любой области ремонтных или строительных работ. Главное предназначение крепежа — прочно и надежно сопрягаться с материалом и качественно фиксировать конструкцию. Если основанием для монтажа конструкции является стена из кирпича, камня или бетона, стандартные крепежи (например, болты или саморезы) применять достаточно сложно. Именно в этом случае необходимо использовать анкерные элементы, так как только они способны создать сопряжение внутри любого, даже самого прочного материала. Зачастую анкера используются для фиксации тяжеловесных или громоздких конструкций. В быту они часто применяются для закрепления оконных и дверных коробок, навесных полок или подставок.
В настоящее время анкерныей болт является одним из наиболее популярных, часто используемых и эффективных крепежных элементов. Анкерный болт имеет множество разновидностей, применяемых в зависимости от существующих условий в каждом отдельном случае. Так же популярны: анкер забивной, анкер клиновой, с кольцом, анкер крюк или анкер гайкой и т.д. Остановимся на наиболее часто используемых вариантах анкеров.

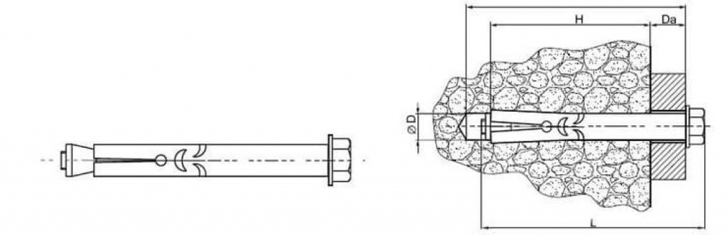
ВТУЛОЧНЫЙ АНКЕР С БОЛТОМ или АНКЕРНЫЙ БОЛТ
ТЕХНИЧЕСКИЕ ХАРАКТЕРИСТИКИ
| Обознач-е | диаметр сверла, мм | мин. тубина при сквозном монтаже, мм | мин. тубина анкеровки, мм | длина анкера, мм | макс, толщина прикрепляемого метериала, мм | резьба | вырывающая сила, кН бетон В25 | допустимый изгибающий момент, Нм | макскрутящий момент при анкеровке, Нм | вес 1000 штук, кг |
|
8/15 x 65 |
8.0 |
65.0 |
35.0 |
69.0 |
15.0 |
M6 |
10.50 |
5.2 |
10.0 |
24.12 |
| 8/40 X 90 | 8,0 | 90,0 | 35,0 | 94,0 | 40,0 | М6 | 10,50 | 5,2 | 10,0 | 31,30 |
| 8/65x115 | 8,0 | 115,0 | 35,0 | 119,0 | 65,0 | М6 | 10,50 | 5,2 | 10,0 | 36,57 |
| 10/10x65 | 10,0 | 65,0 | 40,0 | 70,0 | 10,0 | М8 | 13,10 | 12,9 | 25,0 | 41,00 |
| 10/35x90 | 10,0 | 90,0 | 40,0 | 95,0 | 35,0 | М8 | 13,10 | 12,9 | 25,0 | 52,60 |
| 10/60x115 | 10,0 | 115,0 | 40,0 | 120,0 | 60,0 | М8 | 13,10 | 12,9 | 25,0 | 67,80 |
| 12/10x75 | 12,0 | 75,0 | 50,0 | 81,0 | 10,0 | М10 | 18,30 | 25,7 | 40,0 | 70,65 |
| 12/25x90 | 12,0 | 90,0 | 50,0 | 96,0 | 25,0 | М10 | 18,30 | 25,7 | 40,0 | 83,85 |
| 12/50x115 | 12,0 | 115,0 | 50,0 | 121,0 | 50,0 | М10 | 18,30 | 25,7 | 40,0 | 102,40 |