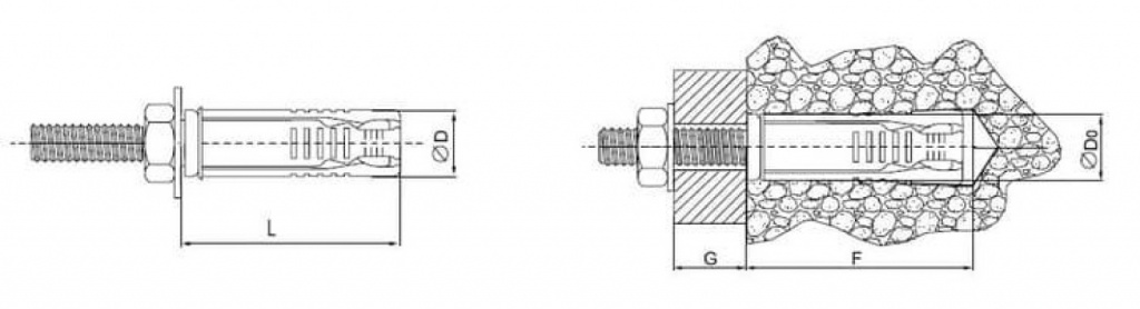
Анкер 4-х сегментный
АНКЕР С ВЫСОКОЙ СТЕПЕНЬЮ РАСКЛИНИВАНИЯ
Предназначен для крепления материалов и оборудования к бетону, естественному камню, кирпичу. Анкер устанавливается в предварительно просверленное отверстие и затягивается гайкой. Гильза анкера состоит из четырех частей, скрепленных пружинкой. При затягивании гайки гильза анкера расширяется и прочно упирается в стенки отверстия даже большего диаметра.
Глубина сверления должна быть на 5 — 10 мм больше длины гильзы.
Анкер изготовлен из оцинкованной стали.
Предназначен для крепления в: бетон, естественный камень.

|
|
|
L | D | Do | F | G |
|
|
|
| Обознач-е | резьба шпильки | длина гильзы, мм | внешний диаметр гильзы, мм | диаметр сверла, мм | глубина анкеровки, мм | макс, толщина прикрепляемого материала, мм |
Макс. крутящий момент при анкеровке, Нм |
Мин. вырывающая сила, кН бетон В25 |
вес 1000 шт/кг |
| 5/10x35 | М5 | 35,0 | 8,0 | 8,0 | 40,0 | 10,0 | 3,3 | 1,5 |
|
| 5/40 х 35 | М5 | 35,0 | 8,0 | 8,0 | 40,0 | 40,0 | 3,3 | 1,5 |
|
| 6/8 х 35 | Мб | 35,0 | 10,0 | 10,0 | 40,0 | 8,0 | 6,0 | 2,3 | 22,5 |
| 6/13x40 | Мб | 40,0 | 10,0 | 10,0 | 45,0 | 13,0 | 6,0 | 2,3 | 25,0 |
| 6/28 х 40 | Мб | 40,0 | 10,0 | 10,0 | 45,0 | 28,0 | 6,0 | 2,3 | 29,0 |
| 6/53 х 40 | Мб | 40,0 | 10,0 | 10,0 | 45,0 | 53,0 | 6,0 | 2,3 | 33,4 |
| 8/7 х 40 | М8 | 40,0 | 14,0 | 14,0 | 45,0 | 7,0 | 14,0 | 3,4 | 49,4 |
| 8/27 х 40 | М8 | 40,0 | 14,0 | 14,0 | 45,0 | 27,0 | 14,0 | 3,4 | 58,5 |
| 8/42 х 50 | М8 | 50,0 | 14,0 | 14,0 | 55,0 | 42,0 | 14,0 | 3,4 | 71,2 |
| 8/82 х 50 | М8 | 50,0 | 14,0 | 14,0 | 55,0 | 82,0 | 14,0 | 3,4 | 42,4 |
| 10/10x50 | М10 | 50,0 | 16,0 | 16,0 | 55,0 | 10,0 | 27,0 | 5,2 | 86,6 |
| 10/30x60 | М10 | 60,0 | 16,0 | 16,0 | 65,0 | 30,0 | 27,0 | 5,2 | 73,4 |
| 10/40x50 | М10 | 50,0 | 16,0 | 16,0 | 55,0 | 40,0 | 27,0 | 5,2 | 100,7 |
| 10/50x60 | М10 | 60,0 | 16,0 | 16,0 | 65,0 | 50,0 | 27,0 | 5,2 | 117,8 |
| 12/18x60 | М12 | 60,0 | 20,0 | 20,0 | 70,0 | 18,0 | 46,0 | 8,5 | 157,4 |
| 12/28x80 | М12 | 80,0 | 20,0 | 20,0 | 90,0 | 28,0 | 46,0 | 8,5 | 202,1 |
| 12/38x60 | М12 | 60,0 | 20,0 | 20,0 | 70,0 | 38,0 | 46,0 | 8,5 | 169,8 |
| 12/68x80 | М12 | 80,0 | 20,0 | 20,0 | 90,0 | 68,0 | 46,0 | 8,5 | 230,1 |
| 16/15x80 | М16 | 80,0 | 25,0 | 25,0 | 90,0 | 15,0 | 110,0 | 14,2 | 320,7 |
| 16/25x100 | М16 | 100,0 | 25,0 | 25,0 | 110,0 | 25,0 | 110,0 | 14,2 | 398,9 |
| 16/45x80 | М16 | 80,0 | 25,0 | 25,0 | 90,0 | 45,0 | 110,0 | 14,2 |
358, |
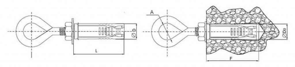
АНКЕР С ВЫСОКОЙ СТЕПЕНЬЮ РАСКЛИНИВАНИЯ

ТЕХНИЧЕСКИЕ ХАРАКТЕРИСТИКИ
|
|
|
L | D | Do | F | G |
|
|
|
| Обознач-е | резьба болта | длина гильзы, мм | внешний диаметр гильзы, мм | диаметр сверла, мм | глубина анкеровки, мм | макс, толщина прикрепляемого материала, мм |
Макс. крутящий момент при анкеровке, |
Мин. вырывающая сила, кН бетон В25 |
вес 1000 шт/кг |
| 6/15x40 | Мб | 40,0 | 10,6 | 10,0 | 40,0 | 15,0 | 4,3 | 2,3 | 24,1 |
| 6/35 х 40 | Мб | 40,0 | 10,0 | 10,0 | 40,0 | 35,0 | 4,3 | 2,3 | 27,7 |
| 8/20 х 50 | М8 | 50,0 | 14,0 | 14,0 | 50,0 | 20,0 | 10,0 | 3,4 | 59,8 |
| 8/45 х 50 | М8 | 50,0 | 14,0 | 14,0 | 50,0 | 45,0 | 10,0 | 3,4 | 66,8 |
| 10/15x60 | М10 | 60,0 | 16,0 | 16,0 | 60,0 | 15,0 | 20,0 | 5,2 | 92,5 |
| 10/35x60 | М10 | 60,0 | 16,0 | 16,0 | 60,0 | 35,0 | 20,0 | 5,2 | 102,3 |
| 12/20x80 | М12 | 80,0 | 20,0 | 20,0 | 80,0 | 20,0 | 34,0 | 8,5 | 173,4 |
| 12/50x80 | М12 | 80,0 | 20,0 | 20,0 | 80,0 | 50,0 | 34,0 | 8,5 | 199,4 |
| 16/25x100 | М16 | 100,0 | 25,0 | 25,0 | 100,0 | 25,0 | 83,0 | 14,2 | 366,6 |

ТЕХНИЧЕСКИЕ ХАРАКТЕРИСТИКИ
|
|
|
L | D | Do | F | мин. |
|
| Обозначение | резьба в гильзе | длина гильзы, мм | внешний диаметр гильзы, мм | диаметр сверла, мм | глубина анкеровки, мм | вырывающая сила, кН бетон В25 | вес 1000 штук, кг |
| 6/10x40 | Мб | 40,0 | 10 | 10 | 40,0 | 23 | 122 |
| 8/14x50 | М8 | 50,0 | 14 | 14 | 50,0 | 3^4 | 31^5 |
| 10/16x60 | М10 | 60,0 | 16 | 16 | 60,0 | 5,2 | 44,2 |
| 12/20x80 | М12 | 80,0 | 20 | 20 | 80,0 | 8,5 | 92,6 |
| 16/25x100 | М16 | 100,0 | 25 | 25 | 100,0 | 14,2 | 155,0 |
| 20/35x140 | М20 | 140,0 | 35 | 35 | 140,0 | 24,2 | 369,0 |

ТЕХНИЧЕСКИЕ ХАРАКТЕРИСТИКИ
|
|
|
L | D | Do | F | А | макс. | мин. |
|
| Обозначение | резьба болта | длина гильзы, мм | внешний диаметр гильзы, мм | диаметр сверла, мм | глубина анкеровки, мм | диаметр петли, мм | крутящий момент при анкеровке, Нм | вырывающая сила, кН бетонВ25 | вес 1000 штук, кг |
| 5/8 х 35 | М5 | 35,0 | 8,6 | 8,0 | 35,0 | 8,0 | 3,3 | 0,8 | 20,9 |
| 6/10x40 | Мб | 40,0 | 10,0 | 10,0 | 40,0 | 10,0 | 6,0 | 1,1 | 34,7 |
| 8/14x50 | М8 | 50,0 | 14,0 | 14,0 | 50,0 | 14,0 | 14,0 | 2,2 | 82,6 |
| 10/16x60 | М10 | 60,0 | 16,0 | 16,0 | 60,0 | 18,0 | 27,0 | 2,8 | 141,0 |
| 12/20x80 | М12 | 80,0 | 20,0 | 20,0 | 80,0 | 22,0 | 46,0 | 4,4 | 270,0 |
| 16/25x100 | М16 | 100,0 | 25,0 | 25,0 | 100,0 | 28,0 | 110,0 | 8,2 | 574,0 |

ТЕХНИЧЕСКИЕ ХАРАКТЕРИСТИКИ
|
|
|
L | D | Do | F | А | макс. | мин. |
|
| Обозначение | резьба крюка | длина гильзы, мм | внешний диаметр гильзы, мм | диаметр сверла, мм | глубина анкеровки, мм | диаметр петли, мм | крутящий момент при анкеровке, Нм | вырывающая сила, кН бетонВ25 | вес 1000 шт/кг |
| 5/8 х 35 | М5 | 35,0 | 8,0 | 8,0 | 35,0 | 8,0 | 3,3 | 0,8 | 19,7 |
| 6/10x40 | Мб | 40,0 | 10,0 | 10,0 | 40,0 | 10,0 | 6,0 | 1,1 | 33,4 |
| 8/14x50 | М8 | 50,0 | 14,0 | 14,0 | 50,0 | 14,0 | 14,0 | 2,2 | 79,8 |
| 10/16x60 | М10 | 60,0 | 16,0 | 16,0 | 60,0 | 18,0 | 27,0 | 2,8 | 133,1 |
| 12/20x80 | М12 | 80,0 | 20,0 | 20,0 | 80,0 | 22,0 | 46,0 | 4,4 | 258,1 |
| 16/25x100 | М16 | 100,0 | 25,0 | 25,0 | 100,0 | 28,0 | 110,0 | 8,2 | 571,3 |